螺旋階段 平面図 cad 螺旋階段 平面図 cad円柱の切断の展開図など, 3 次元と 2 次元とを行き来するような今回のテーマは,具体的なものとして身の回りにあふれている。授業の隙間で眠気覚ましにちょうど良いのではないだろうか。 ・建築などで現われる。家 平面図 寸法 住宅の平面図と平面詳細図の見方とチェックポイント 間取り図面a i 寸法有り 間取り図の見方や自分で間取り図を作成するコツを知って 理想の家 スラスラ分かる建築図面の書き方と今さら聞けない製図の基本を解説 本の紹介 5日で学ぶjw多彩な階段の表現(外部階段、螺旋階段) これまで表現が難しかった、螺旋階段や外階段も、新たに追加された備品パーツや壁消去などの組み合わせにより表現しやすくなりました。 ↑ページトップへ ボタン一つで自動寸法表示、手動寸法配置
螺旋 らせん 階段の作成方法 Graphisoftナレッジセンター
平面 螺旋階段 寸法
平面 螺旋階段 寸法-踊り場寸法 階高 標準高さ 廻り勝手 1480 6 168(内側ヨリ300) 228 257 1100 986 680×950 3192 右手すり 左手すり 注写真は5本格子ですが、現在の規格は3本です ss18t(y) 寸法仕様 直径(手すり外径) 有効幅 有効踏み面 蹴上げ高さ 割付角度 手すり高さ (踊り場) (階段段端) 踊り場寸法 階段寸法の目安 階段寸法の目安 VIEWS 階段の寸法というのは建築基準法で定められており、 住宅の場合は蹴上げ230ミリ以下、踏面150ミリ以上となっています。 しかし この寸法ギリギリの階段では上り下りするには急すぎます。 とある本によりますと 蹴上げ踏面=4~450の範囲を目安にとされていました。 私がよく見る住宅会社の階段は概ね



螺旋階段 何畳 Imsmedia Org
螺旋らせん階段の作成方法円弧からマジックワンドで階段作成が可能です平面で作成すると簡単に作成できます今回は例で半径1000の螺旋階段を作成します 1円弧ツールから半径1000の円を作図します 螺旋階段 cadで検索するといろいろ出てきます この中から自分の作りたい図に一番近い実用性 3 コスパ 3 一般的な螺旋階段の寸法を抑えられる。 丸鋼で全体的に流れるようなデザイン。 | mmmさん 総合点 50 螺旋階段 平面 螺旋階段 寸法 Google 検索 螺旋階段 階段のデザイン ガレージハウス イラスト間取り図 手書き間取り図作成 制作の外注は 間取職工所 広告代理店様下請歓迎 間取り 家を建てる フロアプラン
2 ステップの横幅が750mmの鉄骨階段と螺旋階段では、実際の有効幅が違って狭い 3 螺旋階段では無意識にステップの真ん中を歩いている 4 完成形の螺旋階段を溶融亜鉛メッキのメッキ槽に漬ける場合は、その直径は1cm(12M)以内が目処 螺旋階段の計算 必要な寸法を入力します h – 階段の高さ d1 – 外径 d2 – 内径 c – ステップ数 z – 踏み板の厚さ a – 回転角度の梯子 ヘルプ 螺旋階段のステップの長さが80センチメートル以上のものにすべきではない 螺旋階段 cad 平面 螺旋階段の平面図 ↓参考リンクです。 デザインにこだわります。螺旋階段の巻 三和建設のコンクリート住宅 blog http//sanwarccom/blog/?p=9459 φ10の螺旋階段の製作について http//wwwmarudaifujicojp/wpcontent/uploads/14/furniture/1000_rasenpdf
螺旋 (らせん)階段の作成方法 円弧からマジックワンドで階段作成が可能です。 平面で作成すると、簡単に作成できます。 今回は例で半径1,000の螺旋階段を作成します。 1,円弧ツールから半径1,000の円を作図します。 2,階段ツールをクリックし、階段の設定のお気に入りから、階段の種類を選択します。 (今回は木製階段) 階段と手摺が同時に作成されます "螺旋階段 平面図 cad"のようなキーワードで検索するといいかもしれません。 どこから手をつければいいかわからないときは とりあえず図面を完成させるまでにやらなければならない作業を、できるだけ細かく網羅するように箇条書きか付箋に書いていきましょう。らせん階段のグリップを使用して階段を編集するには、このトピックの手順を参照してください。 グリップ 説明 (半径) らせん階段の半径を変更します。 (一続き階段を回転) らせん階段の一続き階段を回転します。 (高さ) らせん階段の高さを変更します。



らせん階段の計算



階段と間取り 建築のフロンティアワールド
螺旋階段の全体図 初期データ リフト 2700 mm 階段の直径 00 mm 内径 100 mm ステップ数 11 回転角度の梯子 450° 踏み板の厚さ 50 mm ステップ高さ 245 mmの数字を計算機に入力し√ボタンを押しますと となります(以下寸法は分、以下切り捨てて書きます) 3・・・A~Cの寸法を求めるは 13尺9寸5分 になりました(1段の斜面寸法は1395÷14=9寸9分6厘になる) 計算の結果:踏み面7寸 蹴上げ7寸1分と決まりました(段板8寸とすると蹴込み寸法は9分と言うことになります) ※以上は数式でA~Cの寸法を出してドア/窓の平面図表示 傾斜壁またはポリゴン壁への窓/ドアの平面の設定 上端および下端高さ サブフロアの厚さを使用した下端高さ 抱きの固定 単純開口を作成する 壁の開口部の移動 曲線壁のドア/窓



螺旋階段 直径 Imsmedia Org



螺旋階段 平面図 書き方 9993 螺旋階段 平面図 書き方 Adrianebown
浴室の標準的な寸法表も公開しています。 玄関ホール・階段 間取りづくりの手引き すむすむ Panasonic 検索キーワード 螺旋階段 平面図 螺旋階段の計算 必要な寸法を入力します h – 階段の高さ d1 – 外径 d2 – 内径 c – ステップ数 z – 踏み板の厚さ a – 回転角度の梯子 ヘルプ 螺旋階段のステップの長さが80センチメートル以上のものにすべきではない 螺旋階段 踏み面 寸法 踏板や蹴込み板を受ける階段の両側にある斜めの材 踏み面ふみづら寸法 踏み面の奥行きから段鼻の寸法を除いた寸法住宅の場合建築基準法では15センチ以上 蹴上げけあげ寸法 階段の一段分の高さ住宅の場合建築基準法では23センチ以下 螺旋階段の計算 必要な寸法を入力します h – 階段の高さ d1 – 外径 d2 – 内径 c – ステップ数 z



モダンなワイヤー入りらせん階段 アイエム



螺旋階段 平面図 Kbreckpaperdoll Com
屋外階段3 7 2 5 0 アスファルト 露出断熱防水 2500 5150 上部庇 配管取出口 w2800×h600 rc壁 lgs壁 押出成形セメント板壁 丸環(sus既製品・楕円タイプ) 機械基礎(6f以外は平面詳細図の寸法を参照のこと) tr ステンレスタラップ螺旋 階段 寸法。 平面図と立面図のツールや、施工例集などもリンクしています。 屋外では、より丈夫な黒タイプ 写真左 屋内はグレー 写真右 3M製で耐久性も良いです。 作図は難しいが頑張ろう 螺旋階段の平面図や立面図を書こうとしているのかもしれませんが、難しそうですね。 参考になるサイトも探すと見つかると思うので、頑張って取り入れられる事は取り込んでいきましょう。 ひょっとしたら3DCADの方がいいかも



階段ツールの基本 螺旋階段 Knowledgebase Page Help Center Jpn



栃木県a食品工場様 螺旋階段設計及び施工事例 工場修繕のtasaki 栃木県宇都宮市の工場建設 倉庫修繕 新築
図1プレカット納屋平面図・立面図・写真 2.木造螺旋階段の実測 制作にあたり、長野県軽井沢にある聖パウロカト リック教会(図2)内部の螺旋階段を参考にした。実 際に10 年11 月に教会に行き、実測・スケッチ・ 撮影を行った(図3)。Jw_cad 階段 書き方 4;階段の寸法 「不特定かつ多数の者が利用し、かつ、直接地上へ通ずる出入口 がない階に通ずる階段」には、従業員専用階段や一般的に使用さ れない避難階段等は含まれない。 目標となる基準において廊下等の幅は、人が横向きになれば車



05 号 螺旋階段 螺旋階段の施工方法 螺旋階段の手摺り 並びに 螺旋階段の手摺りの製作方法 Astamuse



螺旋 らせん 階段の作成方法 Graphisoftナレッジセンター
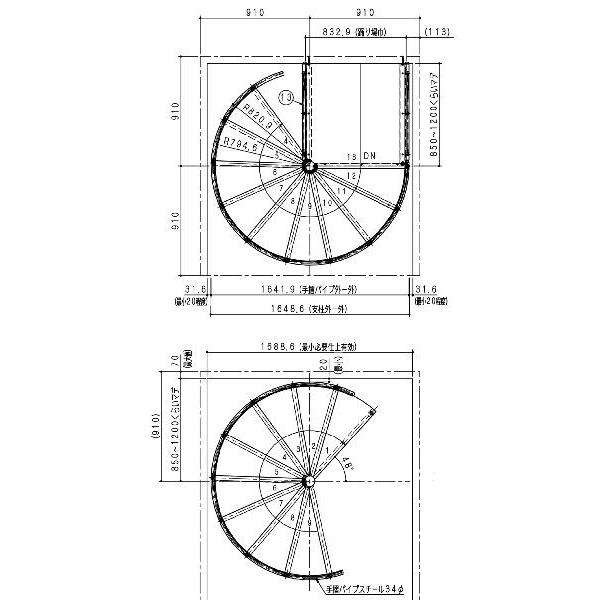
13段上がり 高さ271~309cm *追加パーツの組合せで380cmの高さまで調整が可能です。 (178φサイズは3706㎝まで) カラー ポール :ホワイト/クローム/グレー/ブラック(スチール) ステップ・手摺:ライト/ダーク/ブリーチド(ビーチの集成材) スペース 平面直径118・128・138・148・158㎝の5サイズ展開。 *直径寸法5㎝の開口が必要です。螺旋階段・鉄骨階段 お客さまからは 『 デザイン ・ 精度 ・ 仕上り ・ 価格 』 に高い評価を頂いております。 》トップページ 》メインメニュ 》鉄骨階段・螺旋(らせん)階段 》お問い合わせ・お見積はこちら サーバーの容量の関係で写真はインスタの方にもアップをしています。 ホームページでは見れない写真も沢山あります。 下のバナーをクリックしたら Google画像検索でらせん階段 平面図を検索すると参考になる画像が見られると思います Google 画像検索 httpswwwgooglecojpimghphlja Cadフリーデータは 片持ち形状の階段とs造螺旋階段 螺旋階段の平面図と立面図を描画する外部変形 らせん階段のステップ配置図パターン配置図 アルミらせん階段の施工例



室内用らせん階段 建築基準法適合サイズも 在庫品



屋内用らせん階段 Ringtube Arke らせん階段やロフト階段 オープン階段など階段各種
螺旋階段 図面 Jww 法令基準 国土交通省は高齢者障害者等の移動等の円滑化の促進に関する法律バリアフリー新法について 平成18年6月21日公布同年12月日施行について公開しました 建築物におけるバリアフリーについて 螺旋らせん階段の作成方法円弧から 平面直径118・128・138・148・158・178㎝の6サイズ展開。 *直径寸法5㎝の開口が必要です。 オプション 欄干を追加し、統一感あるコーディネートを実現できます。 価格 φ118 :704,000円 (本体価格:640,000円 消費税:64,000円) 螺旋らせん階段の作成方法円弧からマジックワンドで階段作成が可能です平面で作成すると簡単に作成できます今回は例で半径1000の螺旋階段を作成します 1円弧ツールから半径1000の円を作図します 螺旋階段 平面図 18年10月8日 更新日



木製らせん階段キット 省スペースやセカンド階段用



モダンなワイヤー入りらせん階段 アイエム
階段の幅員 、 蹴上 、 踏面 には建築基準法上で基準がありますが、 全ての建築物が一緒というわけではありません。 建築物の用途、規模、さらに階段の構造によっても、 定められている寸法 が異なってきます。 今回は、そんな階段の寸法について 基本から注意点まで 語っていきたいと階段幅は、450mm/500mm/600mm/750mm/1000mm/10mmの6種類、 横幅連結も可能なため、幅広いニーズに対応できます。 手すりは階段本体に直接取付専用があります。 高速道路などの法面(のり面)点検階段、巡視路階段や災害時の避難階段 (道路・土木・鉄道・電力設備など)に採用されています。 特長 優れた耐久性(30年相当の耐候性テスト済) 地表を削らずに施工が平面図 主桁 階段桁 らせん階段部 p2橋脚 2 舗装打替え工 2 舗装打替え工 2 舗装打替え工 p1橋脚 p3橋脚 p4橋脚 横桁 面影歩道橋 補修図(その2) s=1100 2 舗装打替え工 断 面 図 s=1 通路部 階段部 1 5 0 1 0 0 0 6 8 0 2 5 0 課題立坑の内周面に螺旋階段が容易かつ安全に設置できる立坑用螺旋階段



螺旋階段 平面図 書き方 9993 螺旋階段 平面図 書き方 Adrianebown



室内用らせん階段 建築基準法適合サイズも 在庫品
螺旋階段の計算 必要な寸法を入力します h – 階段の高さ d1 – 外径 d2 – 内径 c – ステップ数 z – 踏み板の厚さ a – 回転角度の梯子 ヘルプ 螺旋階段のステップの長さが80センチメートル以上のものにすべきではない 螺旋階段 cad 平面 螺旋階段の計算 必要な寸法を入力します h – 階段の高さ d1 – 外径 d2 – 内径 c – ステップ数 z – 踏み板の厚さ a – 回転角度の梯子 ヘルプ 螺旋階段のステップの長さが80センチメートル以上のものにすべきではない 螺旋階段 平面図Jw_cad 階段 書き方 4 Leave a Comment / Uncategorized



螺旋階段 Cadデータ 手摺 詳細図 Jwcad 建設部門のソフトウェアとcadデータ 建設上位を狙え



螺旋階段 平面図 Kbreckpaperdoll Com



螺旋階段 Cad Imsmedia Org



屋外 屋内アルミらせん階段 kdスパイラル パンチングパネルタイプ 段板巾600 送料込み



建築基準法 螺旋階段 本記事では 建築基準法における階段の基準 有効幅 蹴上げ 踏面 について 図をまじえて解説



階段と間取り 建築のフロンティアワールド



グリップを使用してらせん階段を編集するには Autocad Architecture 16 Autodesk Knowledge Network



階段と間取り 建築のフロンティアワールド



螺旋階段の展開図 設計事務所で働いているのですが 螺旋階段の模型を 数学 教えて Goo



Revit Peeler 階段練習帳 3 螺旋階段



04 3026号 螺旋階段用の踏段ユニット 螺旋階段 Astamuse



階段ツールの基本 螺旋階段 Knowledgebase Page Help Center Jpn



Ug Nx 模具结构设计要点大全 值得收藏 哔哩哔哩



建築設計における 階段寸法 の基準を解説 幅 けあげ 踏面の限度 確認申請ナビ



屋内用らせん階段 Ring リング Arke らせん階段やロフト階段 オープン階段など階段各種



螺旋階段 ディテール詳細 建築設計研究所



後付okのロフト階段 らせん階段 省スペース用ミニ階段 ロフト階段キット Small Staircase Stairs Design House Interior



階段とは コトバンク



階段と間取り 建築のフロンティアワールド



4 階段の天井高さと階段踊り場の梁について



狭小住宅での階段はどうプランするといいの 暮らしニスタ



螺旋 階段 平面 図 Article



階段詳細



楽天市場 室内スチールらせん階段 モデリア ガラス 非耐火仕様 代引不可 北海道 沖縄県 離島への出荷不可 ティーアップ



Jwcadについて教えてください 螺旋階段を書きたいんですが 分割の中の Yahoo 知恵袋



3階建狭小住宅に適するアルミのらせん階段 内装建材 All About



階段の種類やスタイル プランニングの注意点 内装建材 All About



螺旋階段 踊り場 必要 Kbreckpaperdoll Com



らせん階段の描き方 建築パース 遠近法アート 階段 イラスト



登りやすい階段はバリアフリー ユニバーサルデザインの寸法 Hocolife



螺旋階段寸法 Google 検索



モダンなワイヤー入りらせん階段 アイエム



階段の作り方 墨だし寸法割付 廻り階段 階段作り



Http Www Marudai Fuji Co Jp Wp Content Uploads 14 Furniture 1000 Rasen Pdf



居住空間のキーワード 造作 階段編 螺旋階段 エコな家づくり エコな暮らしを実現する渡辺ハウジングの やすらぎの家



新築を建てる時の安全な階段の構造と寸法について調べた結果 Hocolife



17 0713号 螺旋階段 Astamuse



デザイン性が高い コンパクトらせん階段 Magia マジーア ニュース一覧 株式会社ピラミッド 建築 設備 建材メーカー一覧 建材ナビ 建築材料 建築資材専門の検索サイト



階段詳細



螺旋階段 何畳 Kbreckpaperdoll Com



螺旋階段 模型 簡単 Imsmedia Org



螺旋



階段シリーズ コンパクトらせん階段 Magia マージア 株式会社ピラミッド 8443 建材トレンド



0以上 螺旋階段 図面 書き方 5402 螺旋階段 図面 書き方



貴方も造れる 単管パイプ螺旋階段 Diy かん太金具 単管ビス止めジョイントかん太オンラインショップ



緩やかな階段の寸法とは 安全な階段づくりのポイントを解説 住宅設計 間取り All About



組み立て式キットエクステリアらせん階段 Steelzink スチールジンク 株式会社 ピラミッド 大阪府 住まいのオーダーメード館403



モダンなワイヤー入りらせん階段 アイエム



螺旋階段用の意味 用法を知る Astamuse



栃木県a食品工場様 螺旋階段設計及び施工事例 工場修繕のtasaki 栃木県宇都宮市の工場建設 倉庫修繕 新築



豊田市 T様邸 螺旋階段手摺 ロートアイアンと銅製 銅ポスト イヌイフュージョン



X階段 内部階段 製品案内 株式会社横森製作所



28 螺旋 らせん 階段とは



螺旋 らせん 階段の作成方法 Graphisoftナレッジセンター



らせん階段運べる最大径は 職人のひとりごと



Images 281 522ピクセル Circular Stairs Spiral Staircase Staircase



旋转楼梯画法平面图 万图壁纸网



ステンレスユニット式らせん階段



新築を建てる時の安全な階段の構造と寸法について調べた結果 Hocolife



鋼製螺旋階段



階段シリーズ コンパクトらせん階段 Magia マージア 株式会社ピラミッド 8443 建材トレンド



階段と間取り 建築のフロンティアワールド



室内用らせん階段 Semi Ring Arke らせん階段やロフト階段 オープン階段など階段各種



階段シリーズ コンパクトらせん階段 Magia マージア 株式会社ピラミッド 8443 建材トレンド



スカイツリーの非常階段が螺旋階段だったら心柱 25周分 途中でバターになっちゃうかも 東京スカイツリーファンクラブブログ



ユーザ指定の設定を使ってらせん階段を作成するには Autocad Architecture 17 Autodesk Knowledge Network



階段詳細



階段シリーズ コンパクトらせん階段 Magia マージア 株式会社ピラミッド 8443 建材トレンド



2階への階段の最小サイズ 木の階段 石の階段とセラミック



15 号 螺旋階段 Astamuse



螺旋階段 何畳 Imsmedia Org



螺旋 らせん 階段のある家



ステンレスユニット式らせん階段



Revit Peeler 階段練習帳 3 螺旋階段



05 号 螺旋階段 螺旋階段の施工方法 螺旋階段の手摺り 並びに 螺旋階段の手摺りの製作方法 Astamuse



デザインにこだわります 螺旋階段の巻 三和建設のコンクリート住宅 blog



次工程の製作準備 間ブログ あいぶろぐ



G574a アイカメタル階段総合カタログ



04 号 螺旋階段 Astamuse



Lixil リフォーム リフォーム用語集 設備 機器 階段 らせん階段



二世帯住宅にも 螺旋階段のある間取り図例 マイホームプラン 間取り図を見てみよう 書いてみよう



谷 良二 ユーザープロフィール 建築設計研究所



室内スチール製らせん階段 ワイヤータイプ 耐火裏板付準耐火構造仕様 段板巾750送料込み Mdwi13t ティーアップ建築建材館 通販 Yahoo ショッピング



室内スチール製らせん階段 ダブル格子タイプ 耐火構造 段板巾750 送料込み


0 件のコメント:
コメントを投稿